智能潤滑系統
智能潤滑系統 |
|
|
|
|
系統特點 |
|
逐點供油
按設定程序、順次給油。單位時間內潤滑泵只給一點供油; |
![]() |
![]() |
逐點檢測
實時檢測油在管道內的位移信號,真實反映潤滑點的給油狀態; |
故障智能判斷可判斷每個潤滑點、潤滑元件故障; 能判斷出故障類型(堵、通、漏、卡、壞); 程序內有經多年實踐積累的故障類型數據庫供實際使用參考; |
![]() |
![]() |
遠程監控適應、滿足現代工廠自動化生產的需要; 真實反映每個潤滑點供油狀態、讓設備管理人員做到心中有數;遠程設定、調整每點供油參數; 能滿足當前設備潤滑(重要性)的迫切需要; |
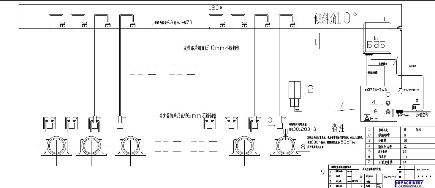
適用范圍及應用行業礦山機械、港口機械、工程機械等; 燒結機、板式給礦機、振動篩、混合機、帶冷機、堆取料機、連蓖機和環冷機等; 高爐、天車、連鑄機、高線、各類軋機等; 環境惡劣人工不易加油的潤滑點; 長距離潤滑點; 不易密封的設備。 |
![]() |
總線系統特點集成度高,本系統通過編解碼控制方式,使控制系統在集成方面有了一定程度的提高; 故障點少,維護量少。由于集成度有一定的提高,元器件也在一定程度上做了適當的精簡,現場線纜也不再繁瑣,使得日常維護量大大減少。 控制潤滑點數量較多,最多可達1000點,擴展方便。 |
![]() |
上一篇:潤滑的重要作用
下一篇:沒有了

電動潤滑泵、
壓力傳感器、
可編程控制器、
計算機監控、
電磁給油器、
流量傳感器




